

Építőanyagok
Engedélyezett:
Repedéses és repedésmentes beton C20/25-től C50/60-ig
Továbbá alkalmazható:
Beton C12/15
Tömör szerkezetű terméskő
* Részletes információkat az építőanyagokról a regisztrációs dokumentumban talál.
Engedély
ETA-07/0025
DoP 0197
DoP No. 0127
DoP: 0127
Legfontosabb jellemzők
Maximális szerelési komfort a gyors feszítésnek köszönhetően.
Vizuális ellenőrzés az engedélynek megfelelő rögzítéshez.
Nem szükséges nyomatékkulcs.
Nagy szerelési rugalmasság: Általános metrikus csavarok és menetes szárakkal alkalmazható.
Termékleírás
FH II-I fischer nagyteljesítményű dübel galvanikusan cinkezett acélból, belsőmenettel. A dübel előszereléssel alkalmazható. Meghúzásával a kúp behúzódik a hüvelybe, amely ezáltal a furatfalnak feszül. A fekete műanyag gyűrű megakadályozza a nemkívánatos elforgást és a dübel meghúzásakor gyűrődő zónaként működik, ennek köszönhetően a dübel az alaplaphoz simul. A nagyteljesítményű FH II-I belsőmenettel ideálisan alkalmazható légkondícionálók, sprinkler rendszerek és csővezetékek rögzítéséhez.
Előnyök
Nemzetközi engedélyek garantálják a maximális biztonságot, és a legjobb teljesítményt.
A belsőmenet lehetővé teszi a rögzítet tárgy leszerelését.
A csavar és a hüvely közötti kialakítás nagy nyírási teherbírást biztosít. Így kevesebb rögzítési pont szükséges.
Az optimalizált geometria csökkenti a szereléshez szükséges energiát.
Az engedély szabályozza az üreges fúrószárral történő furatkészítést.
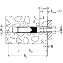
Működése
Az FH II-I átmenőszereléssel alkalmazható.
Az imbuszkulcs csavarásakor a belső menet forogni kezd. Ez a mechanizmus
a kónuszt a hüvelyhez szorítja és ezáltal az belefeszül a furatba. Ezzel
egy időben a dübel tömöríteni kezdi a fekete műanyag gyűrűt. Az U jelű
rés megjelenik (4-es kép).
A dübel szerelése az engedélyekben foglaltaknak megfelelő ha az U rés
3 mm és 5 mm között van. Alternatívaként nyomatékkulcs is alkalmazható.
Alkalmazások
Acélszerkezetek
Védőkorlátok
Konzolok
Létrák
Kábeltálcák
Gépek
Lépcsők
Csővezeték járatok
Szellőztető rendszerek
Sprinkler rendszer
*A terméket bemutató képek és adatok tájékoztató jellegűek, a valós termék megjelenése, paraméterei eltérhetnek.